产品分类
新闻推荐
开云官方网页版官网_开云(中国)

开云官方网页版官网_开云(中国)

地  址:江苏省启东市和平南路199号
电  话:13306282819
客  服:0513-83117726
传  真:0513-83117726邮  箱:ntjr2010@126.com
网  址:www.kdkz18.com

产品中心PRODUCT CENTER
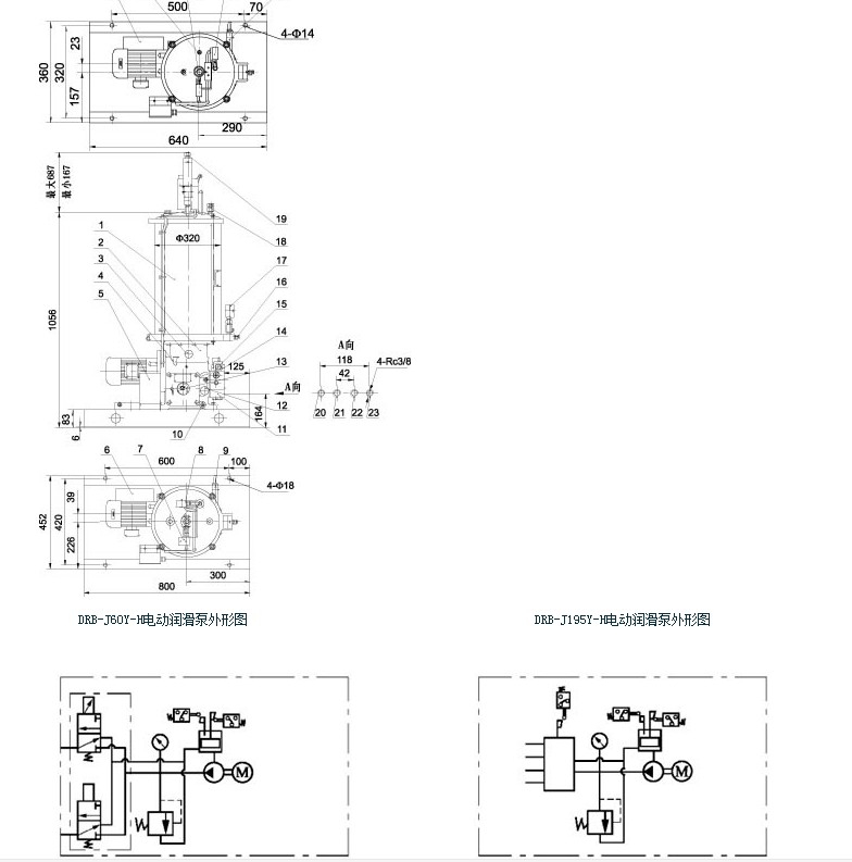
DRB-J系列电动润滑泵(10MPa)
2017-7-24 点击:3517

2.JPG3.JPG4.JPGblob.png